產品系列
- 32.768KHz
- 石英晶振
- 貼片晶振
- 聲表面濾波器
- 陶瓷晶振
- 陶瓷霧化片
- 陶瓷濾波器
- 微孔霧化片
- CTS晶振
- KDS晶振
- 愛普生晶振
- 西鐵城晶振
- 精工晶體
- 村田晶振
- 京瓷晶振
- DST310S晶振
- 日本大河晶體
- NDK晶振
- 亞陶晶振
- 日本富士晶振
- NAKA晶振
- SMI晶振
- NKG晶振
- NJR晶振
- 臺灣加高諧振器
- 臺灣鴻星晶體
- TXC晶振
- 臺灣希華晶振
- 臺灣泰藝晶體
- NSK晶振
- AKER晶振
- Dynamic迪拉尼晶振
- Q-Tech晶振
- ABRACON晶振
- VECTRON晶振
- JAUCH晶振
- ConnorWinfield晶振
- Rakon晶振
- ECS晶振
- Greenray晶振
- ECLIPTEK晶振
- GOLLEDGE晶振
- STATEK晶振
- Pletronics晶振
- SITIME晶振
- Microcrystal晶振
- RALTRON晶振
- AEK晶振
- AEL晶振
- ILSI晶振
- FOX晶振
- fujicom晶振
- CRYSTEK晶振
- interquip晶振
- Geyer晶振
- quartzcom晶振
- qantek晶振
- EUROQUARTZ晶振
- quarztechnik晶振
- Cardinal晶振
- FRE-TECH晶振
- KVG晶振
- wi2wi晶振
- Transko晶振
- suntsu晶振
- mmdcomp晶振
- MERCURY晶振
- MTRONPTI晶振
- ACT晶振
- MTI晶振
- Lihom晶振
- Rubyquartz晶振
- Oscilent晶振
- SHINSUNG晶振
- ITTI晶振
- PDI晶振
- IQD晶振
- Microchip晶振
- Silicon晶振
- Anderson晶振
- Fortiming晶振
- CORE晶振
- NIPPON晶振
- NIC晶振
- QVS晶振
- Bomar晶振
- Bliley晶振
- GED晶振
- FILTRONETICS晶振
- STD晶振
- Wenzel晶振
- NEL晶振
- EM晶振
- PETERMANN晶振
- FCD-Tech晶振
- HEC晶振
- FMI晶振
- Macrobizes晶振
- AXTAL晶振
- SUNNY晶振
- ARGO晶振
- Renesas瑞薩晶振
- SKYWORKS晶振
晶振廠家
進口晶振
臺產晶振
歐美晶振
Tel:0755-27838351
Add:廣東深圳市寶安區67區留仙一路甲岸科技園3棟5樓
Email:konuaer@163.com
QQ:632862232
晶振官方博客
更多>>.jpg)
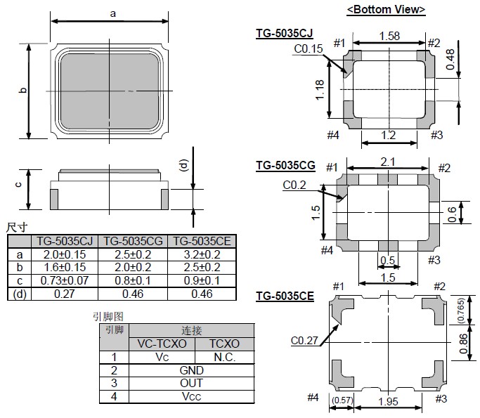
EPSON有源晶振,TG-5021CE溫補晶體振蕩器,安防系統晶振, "TG-5021CE-38N 39.0000M3",目前的VC-TCXO采用了離子刻蝕調頻技術:比目前一般使用的真空蒸鍍方式調頻,主要在產品參數有以下提升:1.微調后調整頻率能控制在±2ppm,一般只能保持在±5ppm;2.產品的激勵功率相關性參數有大幅提升;3.產品的長期老化率可保證在±2ppm之內.

| 晶振參數 | 符號 | TG-5021CE |
| 標準頻率 | fo | 10.0MHZ to 40.0MHZ |
| 電源電壓 | Vcc | 3.0V ± 0.5V |
| 存儲溫度 | T_stg | -40℃~+85℃ |
| 工作溫度 | T_use | -30℃~+85℃ |
| 頻率公差 | F_tol | ±2.0 × 10-6 Max |
| 電流消耗 | Icc | 2 mA MAX |
| 絕對拉力范圍 | APR | ±100 × 10-6 Min |
| 輸入電阻 | Rin | 500KΩ Min |
| 對稱性 | SYM | 40% to 60% |
| 輸出負載 | L_ECL | 50Ω |
| 輸出電壓 | Vpp | Vcc-0.8V Min |
| 上升/下降時間 | tr/tf | 1.5ns Max |
| 啟動時間 | T_str | 2.0ms Max |
| 頻率老化 | F_aging | ±25℃,Vcc=3.3V,20 years |
.gif)


"TG-5021CE-38N 39.0000M3", 經由不同的石英切割角度及不同電極型狀的電場效應, 石英芯片展現了各種不同的振動模態. 以經常產生的振動模態可以概分為擾曲模態(flexure mode), 伸縮模態(extension mode), 面剪切模態(face shear mode) 和 厚度剪切模態(thickness shear mode). 這幾種振動模態以簡單的方法在表一中可以看到. 在實際狀況中, 石英芯片并不是一定祇有單一種振動模態, 而可能有多種模態同時存在在一個石英芯片的振蕩中, 經由適當的設計, 可以壓制其它不希望產生的振動模態(unwanted mode), 來達到主要振動模態的最佳化.


.jpg)
"TG-5021CE-38N 39.0000M3",愛普生株式會社愛普生拓優科夢,(EPSON — YOCOM)1942年成立時是精工集團的第三家手表制造公司,以石英手表起家的愛普生公司到后續的生產壓電石英晶體,1996年2月在中國蘇州投資建廠,在當時員工人數就達2000人,總投資4.055億美元,公司占地200畝,現已經是世界500強企業.


近來由于污染排放總量管制受到應有重視,各種污染減量與管理機制的議題已陸續成為主管機關與企業間執行污染防制的重點,而愛普生電子本身由于受到環保機關污染總量管制,污染物排放量有一定的承諾限值,加上各類相關環保議題的要求,亦訂定與規劃相關減量目標,全力保護有限的地球資源與環境.有鑒于環保意識抬頭.為追求生產綠色產品之目標,將環保理念納入采購流程中,采購人員于收集市場資訊時,優先提供符合「愛普生電子無有害物質管理作業標準」之材料相關資訊予產品設計人員參考,并依其要求提供符合規范之樣品與規格.原材物料承認時,采購人員須請供應商填寫公司提供之問卷表單及相關RoHS檢測報告,經原材物料相關審驗單位審查通過后,方可使用. "TG-5021CE-38N 39.0000M3"

1.技術支持 2.客服咨詢
全方位技術指導,專業的技術支持讓您感受到 專業的銷售團隊,耐心為您解答任何疑問,讓您的
前所未有的后顧無憂. 消費得到保障.
3.質量保證,誠信為上 4.提升業績,降低成本
我司以“以科技為動力,以質量求生存”為理念. 為您的產品量身訂制,免費取樣,
為您做到低成本,高效率.

全方位技術指導,專業的技術支持讓您感受到 專業的銷售團隊,耐心為您解答任何疑問,讓您的
前所未有的后顧無憂. 消費得到保障.
3.質量保證,誠信為上 4.提升業績,降低成本
我司以“以科技為動力,以質量求生存”為理念. 為您的產品量身訂制,免費取樣,
為您做到低成本,高效率.

| 深圳市康華爾電子有限公司 |
| 電 話: +86-755-27838351 |
| 手 機:13823300879 |
| 傳 真: +86-755-27883106 |
| Q Q: 632862232 |
| MSN: konuaer@163.com |
| E-mail:konuaer@163.com |
| 網 址:http://www.gajd.com.cn |
| 地 址:深圳市寶安區67區留仙一路甲岸科技園3棟 |





銷售代表
售后服務